Attualmente non offriamo la consegna nelle isole italiane.

SKF  |  SKU: L.7014 ACDGA P4 SKF -- 7014 ACDGA/P4A

SKF 7014 ACDGA/P4A cuscinetto per mandrino


Varianta
€341,62
Imposte incluse Spedizione calcolata al momento del checkout.

Descrizione

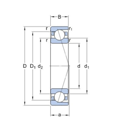
SKF 7014 ACDGA/P4A - cuscinetto a sfere a una fila, non smontabile, di precisione con contatto angolare, angolo di contatto di 25°, gabbia leggera in resina fenolica rinforzata con tessuto, accoppiabile universalmente con leggera precompressione. Il cuscinetto può trasmettere carichi assiali solo in una direzione, quindi di solito è impostato contro un secondo cuscinetto. Il gioco interno dei cuscinetti a sfere a una fila con contatto angolare è raggiunto solo dopo il montaggio e dipende dall'impostazione della posizione assiale rispetto al secondo cuscinetto, che assicura la guida assiale nella direzione opposta. I cuscinetti per accoppiamento universale sono montati a coppie e sono progettati in modo tale che, durante l'assemblaggio per carico assiale in una direzione, ossia in tandem, o per carico assiale in entrambe le direzioni, ossia schiena contro schiena in "O" o faccia contro faccia in "X", si ottenga il gioco interno o la precompressione predeterminati o una distribuzione uniforme del carico senza l'uso di spessori compensatori.

Parametry

Diametro D (mm):

70

Diametro D (mm):

110

Larghezza A (mm):

31,1

Larghezza B (mm):

20

Tipo:

cuscinetto per mandrino

Angolo (°):

25°

Marcatura:

7014 ACDGA/P4A

DOTAZ PRODEJCI

SKF

SKF 7014 ACDGA/P4A cuscinetto per mandrino

€341,62

Varianta

  • Výchozí varianta
Visualizza prodotto