Attualmente non offriamo la consegna nelle isole italiane.

SKF  |  SKU: L.7207 ACDGA/P4A SK -- 7207 ACDGA/P4A

SKF 7207 ACDGA/P4A cuscinetto


Varianta
€155,66
Spedizione calcolata al momento del checkout.

Descrizione

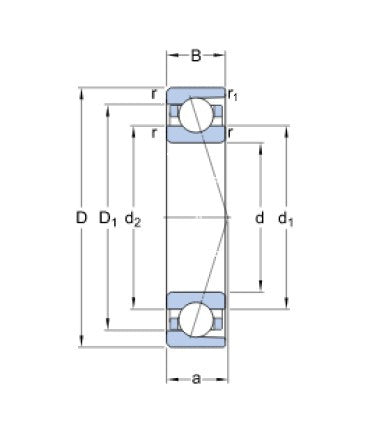
SKF 7207 ACDGA/P4A - cuscinetto a sfere singolo, non smontabile, a contatto obliquo, con angolo di contatto di 25°, gabbia leggera in resina fenolica rinforzata con tessuto, guidata dall'innesto dell'anello esterno, accoppiabile universalmente con leggera precompressione. Il cuscinetto può trasmettere carico assiale solo in una direzione, pertanto è solitamente impostato contro il secondo cuscinetto. Il gioco interno dei cuscinetti a sfere singoli con contatto obliquo viene raggiunto solo dopo il montaggio e dipende dall'impostazione della posizione assiale rispetto al secondo cuscinetto, che garantisce la guida assiale nella direzione opposta. I cuscinetti per accoppiamento universale sono montati a coppie e sono progettati affinché, durante l'assemblaggio per carico assiale in una direzione, cioè in tandem, o per carico assiale in entrambe le direzioni, cioè schiena contro schiena in "O" o faccia contro faccia in "X", si raggiunga un determinato gioco interno o precompressione o una distribuzione uniforme del carico senza l'uso di spessori di compensazione.

Parametry

Diametro D (mm):

72

Larghezza A (mm):

21,1

Larghezza B (mm):

17

Angolo (°):

25°

Marcatura:

7207 ACDGA/P4A

DOTAZ PRODEJCI

SKF

SKF 7207 ACDGA/P4A cuscinetto

€155,66

Varianta

  • Výchozí varianta
Visualizza prodotto